

Application:
The machine is suitable for surface raising of tubular knitted fabrics and open width knitted fabrics of cotton and chemical fibre, also suitable for surface raising of eiderdown, blanket, worst woolen etc.
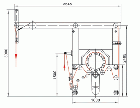
Main technical data:
Item Data
Nominal width 1800 2000 2500
Speed of fabric 10-22
Rotation rate of cylinder 148
Number of raising roller 20 18
Diameter of raising roller §æ61 §æ70
Motor power(Not include dust exhaustor) main motor 7.5 motor of scroll roller 2.2
Overall dimensions 3645x3580(3780\4280)x3000
Machine weight 4900 5100 5700 |